Inscriptio Us
Nuntium

Construction et sustentationem Mini excavators

Construction et sustentationem Mini excavators


Mini Excavator Construction Innovation et intelligens Sustentacionem: Parvus Corpus portans magna Projects


I, de constructione de Mini Excavators: quattuor dimensional technology reshaping per 'spatium magi'

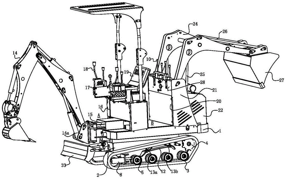
Chassis et ambulans System:


Taillless conversus Design: exemplum ut Sany Sy18u adopt a "nulla cauda protrusion" structuram, cum cauda versus radius solum 0.86 metris, permittens ad CCCLX ° gyrationis in angusto cuniculis sine collidibus ° Gyrari in muro. In eodem tempore, 0.8ton Mini Excavator potest etiam consequi a conversione radii de 1.1M, permittens liberum et flexibile operationem in angustus spatia.


Novifacta track frame: In semita MODULUS potest esse sponte accommodetur (ut SY16c supporting 980-1350mm expansion et contractionem), faciens illud securus ut crucem anguste alleys I meter. Et Flexilis semita grounding pressura est quod humilis est 25kpa, protegens in strata terram.


Selfbricating gestus ipsum: in Yanmar Gb utitur IGLIDUR G Series Plastic Gestus pro traditional pila gestus, quae sunt anti fouling, anti rubigo, et sustentacionem liberum, augendae servitium vitae per ter.




Power et Hydrau ratio:


Dual Modus Power Revolution: De parva CAVATOR adoptat Kubota KX019, quod sustinet Diesel / Electric unum click Switching, a 20kwh altilium Pack providet VIII-hora range, et umbraticis operatio est sicut humilis ut LXVI decibels.


Intelligentes Hydrau potestate: Lond sensitivo technology (ut Shengang Sk35sr-VI) Achieves Flue Distribution of 1.8%, composita actio responsio celeritas 0.7 seconds et industria consummatio reductionem XXII%.




Enhancement of working apparatu:


Gerunt repugnant structuram: et articulated iuncturam de pacto CAVATOR scriptor BUTIO habet subruit carburizing calor curatio (duritia HRC55 +), et in situla laminam per XXX% HB500.


Latus movens brachium patent: Kubota U-15-3s Achieves reliquit deviationis 595mm / dextera deviationis 350mm et murum mounted effossioni non requirit movens corpus.


Rotary fabrica, CCCLX ° omnes-circum operationem, flexibile ad aptet ad variis operantes environments.


Humanum computatrum commercium upgrade


Roll super repugnans CAB: Certified by Rops / fsors (repugnant ad XVI tons of static pressura), instructa cum natant sedes, LCD tactus screen et AI Circumda View Cras, reducendo caecorum per XL%.


II, sustentationem et cotidie sustentationem:

Et auream regula cotidie sustentationem


Hydraulicorum oleum procuratio: Usus anti-gerunt hydraulicis oleum No. LXVIII in aestate et humilis viscosity oleum No. XXXII in hieme. Regulariter reprehendo munditia nas (≤ gradu VIII) ne sentinam et valvae gerunt.


Butyrum implens exolvuntur, inject adipem omnis X diebus ad gyratorius afferentem, et inject summus pressura adipem omnis 4-8 horas pro cards punctum operantes fabrica ad vitare paxillum adhaesit.




Key Component vitae extensio ars:


Track ratio: adjust tensio ad vitare esse nimium solutam (saliendo dentium) et quoque stricta (accelerans lapsum); Regulariter emundare in calculo prohibere ne signantes defectum de sustineat rota.


Sustentationem "gerunt ferrum triangulum"

Track calceamentum inspectionem pro rimas / 500h

Coegi Sprockeling dentes plana et replaced statim

Inert Rota sigillum oleum leakage necessitates ad reparari

Secundum ad Stowers cat Statistics, LXXX% of Chassis defectis causantur per haec tria genera components.


Guidelines pertractatio Extreme Working Conditions:


Altitudo operatio: et Turbocharged engine de mini excavator habet potestatem ultricies XV% et hydraulica ratio instructa cum pressura ultricies valvae ne influunt detrimentum.

Aqua wading operatio, in Italica flumen liberandum, in modern Hx35az effectum a wading profundum 0.8 metris per signavit circuitu moduli.


Long terminus repono signa:


Park in sicco locus, sustinere semita ad redigendum grounding pressura;

Imple cibus cisternina ne condensationem, retractare omnes hydraulicis cylindrici ne sigillum senescit;

Satus semel omnis III menses ad ne circuitus tabula de questus humidum.


III, technological Fines: Electrification et intelligentes Relighting of Industrial Ecology

Power Revolution:


Modular Pugna: Hitachi Zx55u-6eb sustinet Dual coegi de commercial potestate et altilium, cum II-hora ieiunium præcipiens obviam X horas operandi in VI horas.


Hydrogenii Energy Test: HD Hyundai habet developed a hydrogenii fuel engine (Hx12) ad consequi nulla ipsum constructione.


Predictive sustentationem:


IOT Longinquus Diagnose: Sany Sy35u instructa cum Hi mate system, quod analyses oleum temperatus et vibrationis notitia in ipsa tempore, cum culpa monuit accurate rate of XCII%.


AD Sustentacionem SUBSILIARIUS: Kaise Micro CAVATOR praebet VR Operatio Training parva Excavators, simulantes XXX culpa missionibus et meliorem sustentacionem efficientiam a XL%.


IV, practical testimonium: ab antiqua domo restitutio ut metalla tackle

Restoration of a commorationis de Ming et Qing dynastia Scholar in Taizhou, Kubota U-15-3s Parvus Explectatur Excavations de subterranea fossam per 0.85 meter et laterale cum XCV% integrum rate.


Sub operationes ad chilean aeris mea, a pacto CAVATOR cum modified cum CAB operated continue pro CCC horis sine aliqua malfunctions, unde in XXIII% reductionem in loading costs.


Tokyo NightTime municipales constructione: De pura electrica version of Sany Sy19e Mini Excavator operates tacite ad LXVI decibels, solvendo quaestio de civitate scriptor "constructione tempus fenestram."


Conclusio parva corpus portat futurum

Ex 0,8-ton ultra-tenuis exemplar ad IV-ton gravis-officium bellator, parva excavators sunt triplici evolutione praecisione constructione, diversitas industria, et intelligens sustentacionem, reshaping global constructione paradigma. Cum annua venditio superest MMMC unitatibus in Indian foro et aestimatur penetratio rate of XL% ad electrica Motors per MMXXV, hoc technica revolution of "usura aureum occasionem in trillion pupa foro.


Industria sustentationem experientia:

Nam pacto excavators, praecisione consilio est backbone, cum intelligens sustentacionem est in lifeblood, salvis in custodia costs per I Yuan et reducing instauratione expensis per X Yuan.



Related News
Relinque mihi nuntium
Mobile
Oratio
Changjiang West Road, Huangdao District, Qingdao urbem, Shandong provinciae, China
X
Crusulis utimur ut meliorem experientiam pasco tibi praebeamus, situm negotiationis et personalize contentus analyse. Hoc situ utendo, ad nostrum crustulorum usum consentis. Privacy Policy
Reject Accipe